Расчет сборной железобетонной колонны
Окончательный подбор арматуры
см2
Принимаем 4 d=20 A − III(
см2)
Проверяем коэффициент армирования
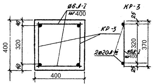
Поперечную арматуру принимаем конструктивно. A − I с d6 мм шаг хомутов
и
Армирование колонны
Рис. 4 1
4.7 Расчет консоли колонны
Принимаем длину опорной площадки
.
где
− коэффициент, учитывающий неравномерное давление ригеля на опорную консоль.
Вылет консоли
м
м
Принимаем
м
Высота консоли у свободного края
м
м
Консоль короткая, т.к.
м
Проверяем высоту сечения короткой консоли
Высота сечения короткой консоли удовлетворяет требованиям прочности, т.к. все условия выполнены.
Изгибающий момент в консоли
Н
Требуемая площадь продольной арматуры
см2
Принимаем 2 d=16 A − III(
см2)
Поперечное армирование принимаем горизонтальными хомутами и отогнутыми стержнями
Отогнутые стержни принимаем конструктивно 2 d=10 A − III(
см2)
Хомуты принимаем d6 A − I с
мм2,
см
см
Окончательно принимаем шаг хомутов
мм
Армирование консоли показано на рис. 4.2
Армирование консоли
Рис. 4 2