Расчет сборного однопролетного ригеля перекрытия
м
Определяем погонное усилие, воспринимаемое поперечными стержнями:
Н/м
Необходимое условие
Н/м
Невыгодная проекция наклонной трещины
м
Принимаем
(минимальное из трех значений:
,
,
)
Проверяем прочность наклонных сечений
Прочность обеспечена, если
где
− сила, воспринимаемая бетоном;
− сила, воспринимаемая хомутами.
Н
Н
Условие выполняется
прочность наклонных сечений обеспечена.
В средней части пролета шаг хомутов увеличиваем до
см при условиях
см и
м
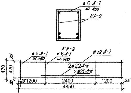
Армирование ригеля
Рис. 3. 2
3.8 Конструирование арматуры ригеля
В целях экономии арматуры один ряд стержней обрывают, не доведя до опор, так как арматура рассчитана на максимальный момент в середине пролета. Уточняем расстояние до центра тяжести всей арматуры и арматуры, доводимой до опор. Арматуру размещаем в соответствии с конструктивными требования прил. 9[3].
Рис. 3. 3
Обрываем верхний ряд стержней. Определяем момент, который воспринимают оставшиеся стержни:
По табл. 3.1[3] определяем
Н
Определяем момент, воспринимаемый всей арматурой:
По табл. 3.1[3] определяем
Н
Определяем расстояние до точек теоретического обрыва верхнего ряда стержней
. Изгибающий момент на расстояние
от опоры.
;
− точки теоретического обрыва верхнего ряда арматурных стержней.
Стержни заводятся за точки теоретического обрыва на величину
:
где
− поперечная сила в точке теоретического обрыва;
− интенсивность наружного армирования в точке теоретического обрыва
− диаметр обрываемого стержня (
мм)
Н
Н/м
м
м
Назначаем
м
Эпюра материалов ригеля и эпюры M и Q представлены на рис.3.4
Эпюра материалов ригеля и эпюры M и Q
Рис. 3. 4