Фундаменты
В данной курсовой работе запроектированы сборные железобетонные ленточные фундаменты, состоящие из фундаментных блоков плит и стеновых фундаментных блоков. Глубина заложения фундаментов-2,6м. Отметка подошвы-2,3м.
Так как толщина стены 640мм, то привязка к координационной оси двусторонняя 200мм и 440мм.
Под внутренние несущие, как наиболее загруженные, принимаем фундаментные плиты шириной 1200 мм.
Под наружные несущие стены - на порядок ниже:1000мм. Под наружные самонесущие стены также принимаем фундаментные плиты шириной 1000 мм.
Плиты ленточных фундаментов укладывать на тщательно спланированную и утрамбованную поверхность основания. Монолитные участки выполнять из бетона класса В12,5.
В зависимости от толщины стены принимаем фундаментные блоки, толщиной:
А) Для наружных стен – 600мм.
Б) Для внутренних стен – 400мм.
Их следует укладывать на цементном растворе М50 с обязательной перевязкой швов. Число вертикальных рядов фундаментных блоков-4.
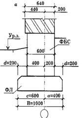
Фундамент под наружные стены
Внутреннюю грань стены совмещаем с внутренней гранью фундаментного блока. Привязка фундаментного блока к координационной оси:200мм и 400мм. Фундаментную плиту располагаем симметрично толщине фундаментного блока. Размеры уступов:
d = (1000-600):2=200мм.
Привязка фундаментной плиты:
а=200+200=400мм
с=200+400=600мм
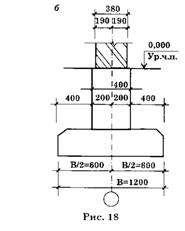
Фундамент под внутренние стены
Привязка фундаментного блока к оси центральная 200мм и 200мм.
Размеры уступов:
d = (1200-400):2=400мм
Привязка фундаментной плиты центральная:
В/2=200+400=600мм.
Монолитные участки выполняются из бетона класса В12,5.
Для защиты фундаментов от поверхностных вод по периметру здания выполняем асфальтобетонную отмостку, шириной 800мм по щебёночному основанию, толщиной 150мм, с уклоном от здания 3%.
Ведомость расчёта фундаментных плит
Таблица 1
| Пози- ция | Марка | Документа- ция |
Размеры,мм | Масса,т | Кол-во, шт | ||
| L | B | H | |||||
| 3 | ФЛ10.24-1 | ГОСТ 13580-85 |
2380 | 1000 | 300 | 1,38 | 4 |
| 4 | ФЛ12.24-1 | ГОСТ 13580-85 | 2380 | 1200 | 300 | 1,63 | 8 |
| 2 | ФЛ10.12-1 | ГОСТ 13580-85 | 1180 | 1000 | 300 | 0,65 | 34 |
|
1 |
ФЛ12.12-1 | ГОСТ 13580-85 |
1180 | 1200 | 300 | 0,78 | 81 |
|
5 |
ФЛ10.8-1 |
ГОСТ 13580-85 | 780 | 1000 | 300 | 0,42 | 18 |
| 6 | ФЛ12.8-1 | ГОСТ 13580-85 | 780 | 1200 | 300 | 0,5 | 1 |