Основные параметры и размеры забивных свай
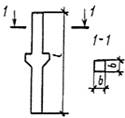
Форма и основные размеры свай должны соответствовать указанным в таблице 1.
Таблица 1 – Форма и основные размеры забивных свай.
| Тип и характеристика сваи | Эскиз сваи | Основные размеры сваи, мм | Обозначение стандарта или серии рабочих чертежей | |
| b или d | l | |||
|
Тип С. Цельная с ненапрягаемой арматурой |
| 200 | 3000 - 6000 |
Серия 1.011.1-10, вып. 1; УД-40-88; 3.500.1-1 |
| 250 | 4500 - 6000 | |||
| 300 | 3000 - 12000 | |||
| 350 | 4000 - 16000 | |||
| 400 | 4000 - 18000 | |||
|
Тип С. Цельная с напрягаемой арматурой |
| 200 | 3000 - 6000 |
ГОСТ 19804.2 Серия 3.500.1-1 |
| 250 | 4500 - 6000 | |||
| 300 | 3000 - 15000 | |||
| 350 | 8000 - 20000 | |||
| 400 | 13000 - 20000 | |||
|
Тип С. Составная с ненапрягаемой арматурой |
| 300 | 14000 - 24000 |
Серия 1.011.1-10, вып. 8 |
| 350 | 14000- 28000 | |||
| 400 | ||||
|
Тип С. Составная с напрягаемой арматурой | 300 | 14000 - 20000 |
Серия 1.011.1-9 | |
| 350 | 14000 - 24000 | |||
| 400 | 14000 - 28000 | |||
|
Тип СП. Цельная с ненапрягаемой и напрягаемой арматурой |
| 300 | 3000 - 12000 |
ГОСТ 19804.3 |
| 400 | ||||
|
Тип СК. Цельная с ненапрягаемой арматурой |
| 400 | 4000 - 18000 |
ГОСТ 19804.5 Серия 3.501.1 |
| 500 | ||||
| 600 | ||||
| 800 | 4000 - 12000 | |||
|
Тип СО. Цельная с ненапрягаемой арматурой | 1000 | 6000 - 12000 | ||
| 1200 | ||||
| 1500 | ||||
| 1600 | ||||
| 3000 | ||||
|
Тип СК. Составная с ненапрягаемой арматурой |
| 400 | 14000 - 26000 |
ГОСТ 19804.6 Серия 3.501.1 |
| 500 | 14000 - 30000 | |||
| 600 | 14000 - 40000 | |||
| 800 | 14000 - 48000 | |||
|
Тип СО. Составная с ненапрягаемой арматурой | 1000 | 14000 - 48000 | ||
| 1200 | ||||
| 1500 | ||||
| 1600 | ||||
| 3000 | ||||
|
Тип 1СД |
| 200 | 5000 - 6000 |
ГОСТ 19804.7 |
| 300 | 5000 - 7500 | |||
|
Тип 2СД |
| 300 | 5000 - 7500 | |
|
Тип СЦ |
| 250 | 5000 - 6000 |
ГОСТ 19804.4 |
| 300 | 3000 - 9000 | |||